![]() ![]() ![]() ![]()  | 
            
                
  | 
					||||||||||
| 
							 Fri fragt fra 3.995,- 
						 | 
					|||||||||||
| 
							 Grohe Essence 310 komplet brusesystem m/Shower Frame - Børstet Cool Sunrise Komplet brusesæt til indbygning i børstet messing-look: 
 Fordele ved Shower Frame brusesæt til indbygning: 
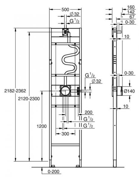
 En helt ny måde at tænke indbygget brusesystem på. Denne pakke indeholder ikke kun alle ydre dele og den indre SmartBox, men også det innovative Shower Frame-indbygningssystem. Udover Shower Frame får du her det flotte brusesæt til indbygning med stor, rund hovedbruser på 31 cm, samt en SmartActive håndbruser med 3. Brusesystemet betjenes nemt med Grohe SmartControl knapper. Hvad er en Grohe Shower Frame? En Shower Frame er en ny måde at tænke indbygning af brus på. Med denne ramme er det enkelt og sikkert at installere og tilslutte alle dele, når brusesystemet skal indbygges. Shower Frame er et komplet indbygningselement med alt, der behøves til et Grohe brusesystem til indbygning – inkl. Rapido SmartBox indbygningsdel. Det enkle indbygningselement kan justeres bl.a. i højden og kræver kun én professionel VVS’er til installation. Grohe Shower Frame fås til både Mono og Duo-systemer og Grohe har 10 års garanti på indbygningselementet. 
  | 
					




                        
                        
                        
                        
										Indhent tilbud her
									
											Fri fragt fra 3.995,-
										
										Godkendt webshop