![]() ![]()  | 
            
                
  | 
					||||||||||||||
| 
							 Fri fragt fra 3.995,- 
						 | 
					|||||||||||||||
| 
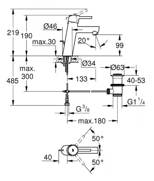
							 Grohe Concetto M håndvaskarmatur m/løft-op bundventil Dette Concetto håndvaskarmatur er mellemhøjt, hvilket gør det praktisk, f.eks. når du skal skylle tøj eller fylde en håndvask. Takket være GROHE QuickFix og de fleksible tilslutningsslanger kan du være sikker på at kunne udføre monteringen nemt og hurtigt. Takket være GROHE SilkMove patronteknologien med keramiske skiver har armaturet en ekstremt let gang. Løftestangen til bundventilen er skjult på bagsiden, og belægningen, der består af et lag GROHE StarLight krom, sikrer, at armaturet skinner smukt på håndvasken. Armaturet er udstyret med GROHE EcoJoy, så du kan begrænse dit vandforbrug. Specifikationer: 
  | 
					


                        
										Indhent tilbud her
									
											Fri fragt fra 3.995,-
										
										Godkendt webshop